Problème détection de 5 GPU par la carte mère.
-
Ça me fait aussi penser a un problème d alimentation électrique. Si problème de RAM ça provoque plutôt un plantage de Windows pendant le minage. (Plantage Ram tested and approuved by bibi ^^ )
-
Merci pour vos réponses,
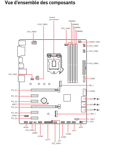
J’ai branché un câble sur l’alimentation sur le bornier PCI pwr il y a 6 broches.
Mais sur la cm, j’ai l’impression que ça ne fonctionne pas, voici la photo

Alors que j’ai bien branché un câble c’est un câble PCI qui se divise en 6 broches et 2 broches

Je dois peut être utilisé un autre câble d’alimentation ?
Qu’est ce que tu en penses @Siberian-Mining ?
Merci beaucoup pour votre aide dans tous les cas. -
@gregdhinne Attention, cette prise sert a alimenter le cpu, il doit y avoir dans tes câbles fournis avec l’alimentation un câble marqué CPU il devrait être en un seul morceau pour la prise, 8 pin, a fixer sur la prise qui est visible sur la carte mère blanche en ayant deux pins en trop qui dépassent sur le côté du plug de la carte mère. Un câble 6+2 pin pour alimenter les cartes graphiques ne sert pas a ça!!
-
@Chuck-LeLimier pas compris ce que toi dire… il parle de la prise 6 broches sur sa carte mère, la prise CPU 8 broches est a un autre endroit ( en haut a droite je dirrai) nan?
-
@El-Bibi-10 Sur la carte blanche, la prise indiquée par la flèche rouge est bien celle pour le cpu, elle peut être a 4, 6 ou 8 pin. Peut-être même 2 sur les vieux bazar il me semble^^
-
@Chuck-LeLimier a dit dans Problème détection de 5 GPU par la carte mère. :
@El-Bibi-10 Sur la carte blanche, la prise indiquée par la flèche rouge est bien celle pour le cpu, elle peut être a 4, 6 ou 8 pin. Peut-être même 2 sur les vieux bazar il me semble^^
NEIN, je viens de checker notice, les 6 borches sont bien préciser que ça alimente PCIE
https://download.msi.com/archive/mnu_exe/mb/M7B98v1.2-EURO.pdf
94/158
-
Je viens d’essayer de brancher un câble d’alimentation CPU sur le port 6 broches pcie pwr 1 mais ça ne fonctionne pas l’alimentation se met en défaut je pense que ça fait un court-circuit… Ça m’agace lol je suis sur que c’est un truc tout bête!
Par contre si je met un câble d’alimentation PCI il n’y a pas de défaut mais j’ai l’impression que le port n’est pas alimenté -
@El-Bibi-10 Oups, autant pour moi, je n’avais pas vu la bonne prise sur la photo, elle est cachée par un rectangle blanc…
@gregdhinne Le bios dit la même chose quand c’est branché?
-
C’est à dire le bios dit la même chose? @Chuck-LeLimier
-
@gregdhinne a dit dans Problème détection de 5 GPU par la carte mère. :
Voici l’écran qui apparaît

La même chose que ça?^^
-
Oui oui j’avais branché le port PCI pwr 1 depuis le début.
Je me demandais si ça ne pouvait pas provenir de mon cou qui ne peut pas gérer 5 GPU.
J’ai vu ça

C’est noté 1 x 16, 2 x 8, 1 x 8 + 2 x 4. -
Yop, je ne sais pas si c’est le cas pour ton modèle, mais je sais que sur certaines CM il y a une option à activer dans le BIOS lorsqu’on dépasse les 4 GPU
-
Si si il y a l’option et je l’ai activé
-
@gregdhinne Je donne ma langue au chat… @Siberian-Mining en saura sûrement plus… Désolé, tu m’a séché là^^
-
Merci d’essayer de m’aider je cherche cherche mais je trouve pas ça m’agace de fou !
Je me demande si c’est pas mon câble pour alimenter le port PCI pwr 1Le truc bizarre c’est que lorsque j’active le mode Windows os… UEFI la cm démarre avec 5 GPU mais du coup je n’arrive plus à lancer NICEHASHOS qui fonctionne qu’en CSM
@Chuck-LeLimier -
@gregdhinas tu castrer la puissance de tes 3070 en mettant 60% au niveau de la puissance electrique ? Essaye de le faire au moins sur les 4gpu reconnu en indiquant le paramètre : “appliquer ces paramètres au démarrage”. Ensuite tu tentes le redémarrage avec les 5gpu.
Avant ça tu peux aussi verifier si ton bios est bien à jour ( si tu le met à jour pense à revérifier que le paramètres autorisant plus de 4 GPU n’a pas sauter, d’ailleurs ça vaut le coup de vérifier qu’il n’a pas sauter que ce paramètres a bien été enregistrer lorsque tu l’a sélectionner la première fois) -
Comment je fais pour bloquer l’alimentation des GPU à 60% j’ai su le faire sur le programme NICEHASHOS mais pas dans le bios.
-
@gregdhinne autant pour moi j’ai lut de travers et j’ai dit des conneries ^^’
Pour réduire l’alimentation je pensait une fois sous windows 10. en modifiant via msi afterburner quand tu underclock tes CG. D’ailleurs sous windows 10 tu peux lancer nicehashminer sinon? Je n’ai pas tester NH OS, il y’a peut etre un autre parametre a activer qui bloque a 4GPU, car si dans windows y’a toutes les CG qui sont ok, le probleme ne viens pas du bios. -
Oui peut être bon je vais devoir passer sur Windows… J’ai fait la mise à jour du bios et rien n’y fait…
Bon tanpis j’abandonne pour ce soir… La nuit porte conseil.
Oui oui tu peux lancer nicehash sur windows -
Il faudrait que dans le bios tu essaies de désactiver des connecteurs que tu n’utilises pas. Les ports NVME par exemple prennent des ressources PCIE.
J’ai toujours l’habitude de désactiver le chipset son, port série… Tout ce que je n’utilise pas, ça évite de charger des pilotes et d’utiliser des ressources dont on n’a pas besoin.